返回顶部

行业动态

北京弱电工程中IT系统、TT系统、TN系统分别是什么?

日期:2019-08-23 点击:     关键词:北京弱电工程中IT系统、TT系统、TN系统分别是什

2019-08-23
根据现行的国家标准《低压配电设计规范》低压配电系统有三种接地形式,即IT系统、TT系统、TN系统。
 
(1)第一个字母表示电源端与地的关系
 
T-电源变压器中性点直接接地。
 
I-电源变压器中性点不接地,或通过高阻抗接地。
 
(2)第二个字母表示电气装置的外露可导电部分与地的关系
 
T-电气装置的外露可导电部分直接接地,此接地点在电气上独立于电源端的接地点。
 
N-电气装置的外露可导电部分与电源端接地点有直接电气连接。
 
下面分别对IT系统、TT系统、TN系统进行全面剖析。
 
弱电工程中IT系统、TT系统、TN系统分别是什么?各自有什么特点?
 
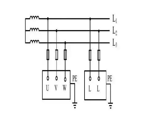
一、IT系统
 
IT系统就是电源中性点不接地,用电设备外露可导电部分直接接地的系统。IT系统可以有中性线,但IEC强烈建议不设置中性线。因为如果设置中性线,在IT系统中N线任何一点发生接地故障,该系统将不再是IT系统。
 
IT系统接线图如图1所示。
 
弱电工程中IT系统、TT系统、TN系统分别是什么?各自有什么特点?
图1 IT系统接线图
 
IT系统特点
 
IT系统发生第一次接地故障时,接地故障电流仅为非故障相对地的电容电流,其值很小,外露导电部分对地电压不超过50V,不需要立即切断故障回路,保证供电的连续性;-发生接地故障时,对地电压升高1.73倍;-220V负载需配降压变压器,或由系统外电源专供;-安装绝缘监察器。使用场所:供电连续性要求较高,如应急电源、医院手术室等。
 
IT 方式供电系统在供电距离不是很长时,供电的可靠性高、安全性好。一般用于不允许停电的场所,或者是要求严格地连续供电的地方,例如电力炼钢、大医院的手术室、地下矿井等处。地下矿井内供电条件比较差,电缆易受潮。运用 IT 方式供电系统,即使电源中性点不接地,一旦设备漏电,单相对地漏电流仍小,不会破坏电源电压的平衡,所以比电源中性点接地的系统还安全。 但是,如果用在供电距离很长时,供电线路对大地的分布电容就不能忽视了。在负载发生短路故障或漏电使设备外壳带电时,漏电电流经大地形成架路,保护设备不一定动作,这是危险的。只有在供电距离不太长时才比较安全。这种供电方式在工地上很少见。
 
二、TT系统
 
TT系统就是电源中性点直接接地,用电设备外露可导电部分也直接接地的系统。通常将电源中性点的接地叫做工作接地,而设备外露可导电部分的接地叫做保护接地。
 
TT系统中,这两个接地必须是相互独立的。设备接地可以是每一设备都有各自独立的接地装置,也可以若干设备共用一个接地装置。
 
TT系统接线图如图2所示
 
弱电工程中IT系统、TT系统、TN系统分别是什么?各自有什么特点?
图2 TT系统接线图
 
TT系统的主要优点
 
1)能抑制高压线与低压线搭连或配变高低压绕组间绝缘击穿时低压电网出现的过电压。
 
2)对低压电网的雷击过电压有一定的泄漏能力。
 
3)与低压电器外壳不接地相比,在电器发生碰壳事故时,可降低外壳的对地电压,因而可减轻人身触电危害程度。
 
4)由于单相接地时接地电流比较大,可使保护装置(漏电保护器)可靠动作,及时切除故障。
 
TT系统的主要缺点
 
1)低、高压线路雷击时,配变可能发生正、逆变换过电压
 
2)低压电器外壳接地的保护效果不及IT系统。
 
3)当电气设备的金属外壳带电(相线碰壳或设备绝缘损坏而漏电)时,由于有接地保护,可以大大减少触电的危险性。但是,低压断路器(自动开关)不一定能跳闸,造成漏电设备的外壳对地电压高于安全电压,属于危险电压。
 
4)当漏电电流比较小时,即使有熔断器也不一定能熔断,所以还需要漏电保护器作保护,因此TT系统难以推广。
 
5)TT系统接地装置耗用钢材多,而且难以回收、费工时、费料。
 
TT系统的应用
 
TT系统由于接地装置就在设备附近,因此PE线断线的几率小,且容易被发现。
 
TT系统设备在正常运行时外壳不带电,故障时外壳高电位不会沿PE线传递至全系统。因此,TT系统适用于对电压敏感的数据处理设备及精密电子设备进行供电,在存在爆炸与火灾隐患等危险性场所应用有优势。
 
TT系统能大幅降低漏电设备上的故障电压,但一般不能降低到安全范围内。因此,采用TT系统必须装设漏电保护装置或过电流保护装置,并优先采用前者。
 
TT系统主要用于低压用户,即用于未装备配电变压器,从外面引进低压电源的小型用户。
 
北京弱电工程中IT系统、TT系统、TN系统分别是什么?
三、TN系统
 
TN系统即电源中性点直接接地,设备外露可导电部分与电源中性点直接电气连接的系统。
 
在TN系统中,所有电气设备的外露可导电部分均接到保护线上,并与电源的接地点相连,这个接地点通常是配电系统的中性点。
 
TN系统的电力系统有一点直接接地,电气装置的外露可导电部分通过保护导体与该点连接。
 
TN系统通常是一个中性点接地的三相电网系统。其特点是电气设备的外露可导电部分直接与系统接地点相连,当发生碰壳短路时,短路电流即经金属导线构成闭合回路。形成金属性单相短路,从而产生足够大的短路电流,使保护装置能可靠动作,将故障切除。
 
如果将工作零线N重复接地,碰壳短路时,一部分电流就可能分流于重复接地点,会使保护装置不能可靠动作或拒动,使故障扩大化。
 
在TN系统中,也就是三相五线制中,因N线与PE线是分开敷设,并且是相互绝缘的,同时与用电设备外壳相连接的是PE线而不是N线。因此我们所关心的最主要的是PE线的电位,而不是N线的电位,所以在TN-S系统中重复接地不是对N线的重复接地。如果将PE线和N线共同接地,由于PE线与N线在重复接地处相接,重复接地点与配电变压器工作接地点之间的接线已无PE线和N线的区别,原由N线承担的中性线电流变为由N线和PE线共同承担,并有部分电流通过重复接地点分流。由于这样可以认为重复接地点前侧已不存在PE线,只有由原PE线及N线并联共同组成的PEN线,原TN-S系统所具有的优点将丧失,所以不能将PE线和N线共同接地。
 
TN系统中,根据其保护零线是否与工作零线分开而划分为TN-S系统、TN-C系统、TN-C-S系统三种形式。
 
(1)TN-C系统
 
TN-C系统接线图如图3所示。
 
北京弱电工程中IT系统、TT系统、TN系统分别是什么?
图3 TN-C系统接线图
 
在TN-C系统中,将PE线和N线的功能综合起来,由一根称为PEN线的导体同时承担两者的功能。在用电设备处,PEN线既连接到负荷中性点上,又连接到设备外露的可导电部分。由于它所固有的技术上的种种弊端,现在已很少采用,尤其是在民用配电中,已基本上不允许采用TN-C系统。
 
TN-C系统的特点
 
1)设备外壳带电时,接零保护系统能将漏电电流上升为短路电流,实际就是单相对地短路故障,熔丝会熔断或自动开关跳闸,使故障设备断电,比较安全。
 
2)TN-C系统只适用于三相负载基本平衡的情况,若三相负载不平衡,工作零线上有不平衡电流,对地有电压,所以与保护线所连接的电气设备金属外壳有一定的电压。
 
3)如果工作零线断线,则保护接零的通电设备外壳带电。
 
4)如果电源的相线接地,则设备的外壳电位升高,使中线上的危险电位蔓延。
 
5)TN-C系统干线上使用漏电断路器时,工作零线后面的所有重负接地必须拆除,否则漏电开关合不上闸,而且工作零线后面的所有重复接地必须拆除,否则漏电开关合不上闸,而且工作零线在任何情况下不能断线。所以,实用中工作零线只能在漏电断路器的上侧重复接地。
 
(2)TN-S系统
 
TN-S系统接线图如图4所示。
 
北京弱电工程中IT系统、TT系统、TN系统分别是什么?
图4 TN-S系统接线图
 
TN-S系统中性线N与TT系统相同。与TT系统不同的是,用电设备外露可导电部分通过PE线连接到电源中性点,与系统中性点共用接地体,而不是连接到自己专用的接地体,中性线(N线)和保护线(PE线)是分开的。
 
TN-S系统的最大特征是N线与PE线在系统中性点分开后,不能再有任何电气连接,这一条件一旦破坏,TN-S系统便不再成立。
 
TN-S系统的特点
 
1)系统正常运行时,专用保护线上没有电流,只是工作零线上有不平衡电流。PE线对地没有电压,所以电气设备金属外壳接零保护是接在专用的保护线PE上,安全可靠。
 
2)工作零线只用作单相照明负载回路。
 
3)专用保护线PE不许断线,也不许进入漏电开关。
 
4)干线上使用漏电保护器,所以TN-S系统供电干线上也可以安装漏电保护器。
 
5)TN-S方式供电系统安全可靠,适用于工业与民用建筑等低压供电系统。
 
(3)TN-C-S系统
 
TN-C-S系统接线图如图5所示。
 
弱电工程中IT系统、TT系统、TN系统分别是什么?各自有什么特点?
图5 TN-C-S系统接线图
 
TN-C-S系统是TN-C系统和TN-S系统的结合形式,在TN-C-S系统中,从电源出来的那一段采用TN-C系统。因为在这一段中无用电设备,只起电能的传输作用,到用电负荷附近某一点处,将EN线分开形成单独的N线和PE线。从这一点开始,系统相当于TN-S系统。
 
TN-C-S系统的特点
 
1)TN-C-S系统可以降低电动机外壳对地的电压,然而又不能完全消除这个电压。这个电压的大小取决于负载不平衡的情况及线路的长度。要求负载不平衡电流不能太大,而且在PE线上应作重复接地。
 
2)PE线在任何情况下都不能进入漏电保护器,因为线路末端的漏电保护器动作会使前级漏电保护器跳闸造成大范围停电。
 
3)对PE线除了在总箱处必须和N线连接以外,其他各分箱处均不得把N线和PE线相连接,PE线上不许安装开关和熔断器。
 
实际上,TN-C-S系统是在TN-C系统上变通的作法。当三相电力变压器工作接地情况良好,三相负载比较平衡时,TN-C-S系统在施工用电实践中效果还是不错的。但是,在三相负载不平衡,建筑施工工地有专用的电力变压器时,必须采用TN-S方式供电系统。
 
我们的优势:
专业IT服务解决方案提供商,IT信息化建设专业提供商;覆盖全国的服务网络,为客户提供贴身服务。
3044AM永利:
服务电话:400-0806-056  官方网址:http://www.itea.cc

400-0806-056
3044AM永利
  • 网站地图